1 / 5
2000kg 4-wheel Lithium Counterbalance Forklift
The EFL201 combines the best of two worlds: an 80V lithium battery system and a robust chassis structure. Designed for high availability in daily operations, this forklift provides excellent performance across various terrains.
With a 120mm ground clearance and a waterproof design, it is engineered to handle uneven surfaces and rainy conditions with ease.



| No. | Parameter | Unit | Value |
|---|---|---|---|
| 1.2 | Model | - | EFL201 |
| 1.3 | Drive | - | Electric |
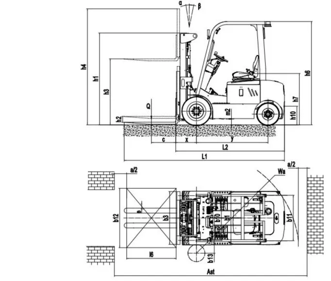
| 1.5 | Load Capacity | Q (kg) | 2000 |
| 1.6 | Load Center | c (mm) | 500 |
| 2.1 | Service Weight | kg | 2940 |
| 4.4 | Lift Height | h3 (mm) | 3000 |
| 4.20 | Length to Face of Forks | l2 (mm) | 2184 |
| 4.21 | Overall Width | b1/b2 (mm) | 1080 |
| 4.35 | Turning Radius | Wa (mm) | 2078 |
| 5.1 | Travel Speed (Laden/Unladen) | km/h | 11/14 |
| 6.4 | Battery Voltage | V/Ah | 80/150 |


The EFL201 is a reliable all-rounder for both indoor and outdoor environments. Its high ground clearance and large solid tyres make it ideal for:




